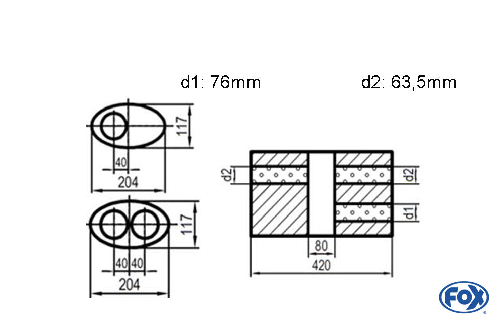
Fox Flexibles Rohr Interlock - Ø63mm - Länge: 100mm + Stutzen Innenleben besteht aus Edelstahlwellrohr - Außenhülle ist Edelstahlgeflecht - Mit Edelstahl-Schlussrohren zum Anschweißen - d2 (innen): variabel (muss separat angegeben werden!)
Fox Anschraubendrohr Typ 14 mit Schelle doppelt - Ø 90mm Rund uneingerollt / abgeschrägt / ohne Absorber - L_ (mm) und d_ (mm innen) ist flexibel - muss angeben werden - L minimum 300mm und maximal 500mm